Loading parts of sections
Copyright © 2026 Powered By Marcone Supply (Version: 1.0.0)
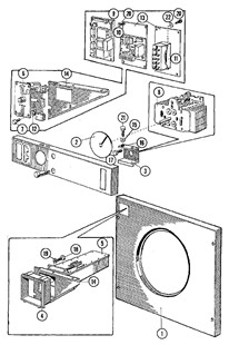
Dishwasher
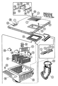
Microwave Countertop
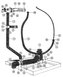
Range Vent Hood
Gas Free Standing
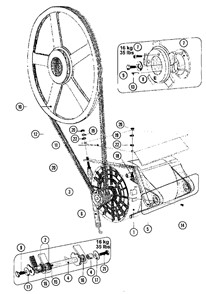
Trash Compactor