Shop Now
Kitchen

  • range
  • dishwasher
  • trash compactor
  • freezer
  • refrigerator
  • microwave
  • oven
  • cooktop
  • grill
  • range hood
Laundry

  • dryer
  • washer
  • laundry center
Total Home

  • air conditioner
  • air filter
  • dehumidifier
  • air purifier
Track Order
Check Delivery Status

Complete the form below to
view the status of your order.

Order Number or Shipping Zipcode Missing

Search
Find Your Part Faster

Enter your part or model number below to search.

Need help finding yours?

  • Shop Now
 =
  • Track Order

Home » Model Search for CW8413W2 (BOM: PCW8413W2 B)

Model Number

CW8413W2 (BOM: PCW8413W2 B)
  • 1

    CW8413W2 (BOM: PCW8413W2 B)

  • 2

    Choose the diagram of the component your part is located in:

    01 - 34526P TRANSMIS...
    banner
    Click to View Diagram
    02 - AGITATOR/DRIVE ...
    banner
    Click to View Diagram
    03 - AGITATOR/DRIVE ...
    banner
    Click to View Diagram
    04 - BRG HSG/BRAKE P...
    banner
    Click to View Diagram
    05 - CAB TOP/LOADING...
    banner
    Click to View Diagram
    06 - CAB TOP/LOADING...
    banner
    Click to View Diagram
    07 - DRAIN HOSE AND ...
    banner
    Click to View Diagram
    08 - FRONT PANEL, BA...
    banner
    Click to View Diagram
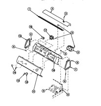
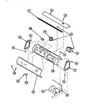
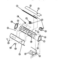
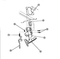
    09 - GRAPHIC PANEL, ...
    banner
    Click to View Diagram
    10 - GRAPHIC PANEL, ...
    banner
    Click to View Diagram
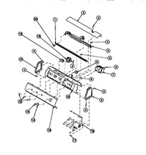
    11 - GRAPHIC PANEL, ...
    banner
    Click to View Diagram
    12 - GRAPHIC PANEL, ...
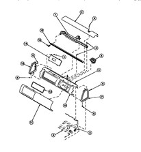
    banner
    Click to View Diagram
    13 - GRAPHIC PANEL, ...
    banner
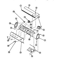
    Click to View Diagram
    14 - GRAPHIC PANEL, ...
    banner
    Click to View Diagram
    15 - GRAPHIC PANEL, ...
    banner
    Click to View Diagram
    16 - GRAPHIC PANEL, ...
    banner
    Click to View Diagram
    17 - INLET/FILL HOSE...
    banner
    Click to View Diagram
    18 - MIXING VALVE
    banner
    Click to View Diagram
    19 - MIXING VALVE & ...
    banner
    Click to View Diagram
    20 - MOTOR, MTG BRKT...
    banner
    Click to View Diagram
    21 - OUTER TUB, COVE...
    banner
    Click to View Diagram
    22 - OUT-OF-BALANCE ...
    banner
    Click to View Diagram
    23 - POWER CORD AND ...
    banner
    Click to View Diagram
    24 - SPECIAL TOOLS
    banner
    Click to View Diagram
    25 - SPECIAL TOOLS
    banner
    Click to View Diagram
    26 - TERMINALS
    banner
    Click to View Diagram
    27 - TRANSMISSION AS...
    banner
    Click to View Diagram
  • 3
    Loading  Loading parts of sections

Need Help?
Call:(800) 476-8160
Mon-Fri 9 am to 8 pm EST

Kitchen

  • Range
  • Dishwasher
  • Trash Compactor
  • Freezer
  • Refrigerator
  • Microwave
  • Oven
  • Cooktop
  • Grill
  • Range Hood
Laundry

  • Dryer
  • Washer
  • Laundry Center
Total Home

  • Air Conditioner
  • Air Filter
  • Dehumidifier
  • Air Purifier
Customer Service

  • Contact Us
  • Privacy Policy
  • Terms of Use
  • Sitemap

Copyright © 2025 Powered By Marcone Supply (Version: 1.0.0)

Ok
Ok
Yes No
Yes No
Common Model Number Plates

Where is my Refrigerator Model Number?

Side by Side
  • Where is my Refrigerator Model Number?

    Side by Side
  • Where is my Dishwasher Model Number?

    Dishwasher

    Dishwasher
  • Where is my Microwave Model Number?

    Microwave Countertop

    Microwave Countertop
  • Where is my Range Vent Hood Model Number?

    Range Vent Hood

    Range Vent Hood
  • Where is my Range/Stove/Oven Model Number?

    Gas Free Standing

    Gas Free Standing
  • Where is my Trash Compactor Model Number?

    Trash Compactor

    Trash Compactor

California Prop 65

There are items in you cart that have Proposition 65 warnings , please review and approve before continuing.
Return to cart Proceed to checkout