Complete the form below to view the status of your order.
Order Number or Shipping Zipcode Missing
Enter your part or model number below to search.
Need help finding yours?
Home » Model Search for CMT-18
Copyright © 2026 Powered By Marcone Supply (Version: 1.0.0)
Dishwasher
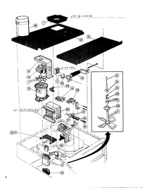
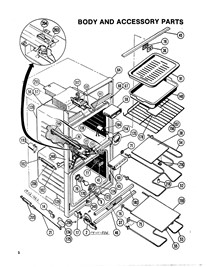
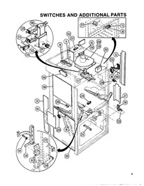
Microwave Countertop
Range Vent Hood
Gas Free Standing
Trash Compactor