Complete the form below to view the status of your order.
Order Number or Shipping Zipcode Missing
Enter your part or model number below to search.
Need help finding yours?
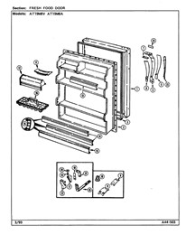
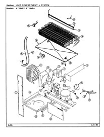
Home » Model Search for AT19M8A (BOM: DA54A)
Copyright © 2026 Powered By Marcone Supply (Version: 1.0.0)
Dishwasher
Microwave Countertop
Range Vent Hood
Gas Free Standing
Trash Compactor